ArduBlock
Проекты
Учебник
Компоненты
Автор
Выход
ArduBlock
Проекты
Учебник
Компоненты
Автор
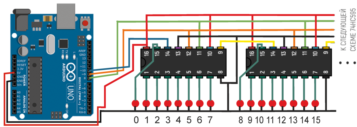
Сдвиговый регистр - 74HC595
2 - Две микросхемы! Если одна микросхема то укажите число 1. Включить 1 светодиод!
Открыть пример:
Online ArduBlock
Видеоурок:
12 719 просмотров
Электронные компоненты
Arduino Uno
SN74HC595N
Motor Shield
Макетная плата